Shimano GRX
SHIMANO GRAVEL-KOMPONENTEN
Ob du Gravel-Einsteiger oder schon seit Ewigkeiten dabei bist, SHIMANO GRX hat die richtige Option für dich. Als erste Gravel-spezifische Komponentengruppe der Welt bietet die GRX harmonisches Schalten, zuverlässiges Bremsen und herausragenden Gravel-Komfort.
 

Shimano Kettenradgarnitur GRX FC-RX820 175 mm 48X31 / 12-Gang

 

Shimano Kettenblatt FC-RX610-2 30 Zähne NS / 2x12 Gänge

 

Shimano Kettenblatt FC-RX610-1 40 Zähne / 12-Gang

 

Shimano Kettenblatt FC-RX600 30 Zähne NF / Gänge 10/11

 

Shimano Kettenblatt GRX FC-RX810 48 Zähne ND / Gänge 11

 

Shimano Kettenblatt GRX FC-RX810 31 Zähne ND / Gänge 11

 

Shimano Kettenblatt GRX FC-RX810 42 Zähne

 

Shimano Schaltwerk GRX RD-RX810 11-Gang

 

Shimano Schaltwerk GRX RD-RX822 12-Gang GS

 

Shimano Schaltwerk GRX RD-RX822 12-Gang SGS

 

Shimano Schaltwerk GRX RD-RX825 Di2 12-Gang

 

Shimano Schaltwerk GRX RD-RX820 12-Gang

 

Shimano Wechsel GRX RD-RX400 10-Gang

 
11-Gang

Shimano Wechsel GRX Di2 RD-RX815 11-Gang

 
11 Gang

Shimano Wechsel GRX RD-RX810 11-Gang

 

Shimano Wechsel GRX RD-RX812 11-Gang

 

Shimano Kettenradgarnitur GRX FC-RX820 170 mm 48X31

 

Shimano Kettenblatt FC-RX600 40 Zähne

 

Shimano Bremsscheibe RT-CL800 180 mm Center-Lock Aussenverzahnung

 

Shimano Bremsscheibe SM-RT64 203 mm Center-Lock Aussenverzahnung

 

Shimano Griffüberzug STRX810 / Paar

 

Shimano Griffüberzug STRX815 Paar

 

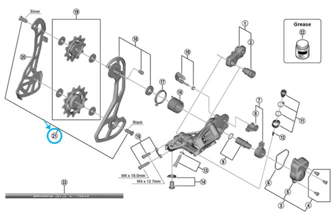
Shimano Führungs- und Spannrolle RD-RX400 Paar / 10 Gang

 

Shimano Konus-Set WH-RX570 links

 

Shimano Kettenblatt GRX FC-RX810 Single 40 Zähne / Gänge 11

 

Shimano Kettenblatt GRX FC-RX820-2 48 Zähne / 12-Gang

 

Shimano Führungs- und Spannrolle RD-RX810 / Paar

 

Shimano Umwerfer GRX FD-RX820 2x12 Down Swing 63-66° Anlöt

 

BBB Kettenblatt RoundAbout4 BCR-07, 44 Zähne, 104mm, schwarz

 

Shimano Freilaufkörper WH-RX880 Micro Spline

 

Shimano Zusatz-Bremshebel GRX BL-RX812 Disc Drop Handlebar

 

Shimano Road Radsatz GRX WH-RX570 Tubeless Center-Lock

 

Shimano Kettenradgarnitur GRX FC-RX810 Double

 

Motorex Hydraulic Fluid 75 Mineralöl Bremsflüssigkeit Flasche 250 ml

 

Shimano Brems-/Schalthebel GRX Di2 ST-RX815

 

Shimano Führungs- und Spannrolle RD-RX817 Paar

 

Shimano Kettenblatt FC-RX610-2 46 Zähne NS

 

Shimano Wechselrollen-Achse Set RD-RX810

 

Shimano Griffüberzug ST-RX825 Paar

 

Shimano Bremssattel GRX BR-RX400 Flatmount hinten